您的位置:首页  > 验收公示信息

验收公示信息
NEWS

    山东順世环保科技有限公司
    联系人:周经理
    手 机:18953920049
    地 址:临清市青年街道办事处张堂村南

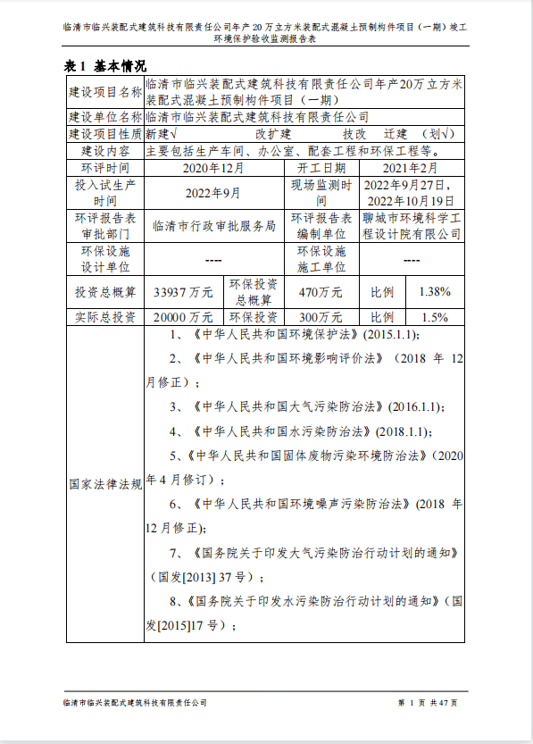
临清市临兴装配式建筑科技有限责任公司年产 20 万立方米装配式混凝土预制构件项目(一期)验收报告
发布者: 发布时间:2023-01-12

友情链接

山东順世环保科技有限公司
联系人:周经理
手 机:18953920049
地 址:临清市青年街道办事处张堂村南


鲁ICP备2024099629号-1  版权所有:山东顺世环保科技有限公司